|
||
全部產品分類
|
||



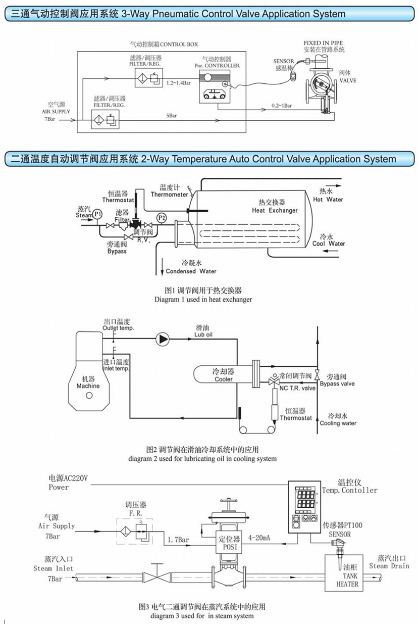
| 氣動控制二通調節閥 | |||
| 公稱流量: | 30m3/h | ||




| -供應商聯系方式- | |||||
|
|
公司名稱: | 南京帝伯熱學有限公司 |
|
聯系人姓名: | |
| 公司地址: | 南京經濟技術開發區興文路6-1號 | 聯系人電話: | 025-85804180 | ||
| 聯系人郵箱: | yingxiao@cn-ntec.com | ||||